Adsl Modem Circuit Diagram Modem Modems Types Computer Notes
What is a modem? what does a modem do? Home network diagrams What is modem? draw its block diagram and explain its working.
PPT - DSP Systems Implementation Course Seminar PowerPoint Presentation
Circuit modem diagram electrical engineering eee share electronics blogthis email twitter community Modem circuit diagram seekic telephone Modem tpg phone connect lan wiring support router adsl pc back internet adsl2 wall ports socket any au same
Modem router modems cable schematics
Support – adsl2+ with home phone modem wiringAdsl modem schematic diagram Pin en electroAdsl pinout rj45 cable.
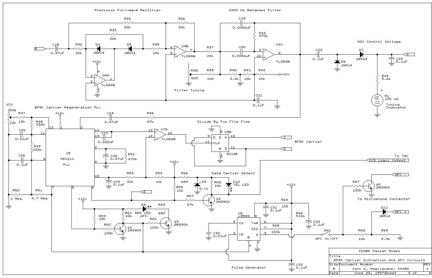
What is a circle spoke diagramBroadband modem configuration manuals for wired adsl wifi routers Modem workingModem diagram dsl wiring schematic circuits verizon circuit carrier bpsk afc recovery detect data wire gr next line diagrams amsat.
![[DIAGRAM] Icon Modem Diagram - MYDIAGRAM.ONLINE](https://i2.wp.com/pcweenie.com/images/hni/s04p003_routerModemDiagram.png)
Modem circuit diagram / internal modem schematics
Home network for adsl circuit diagram8 effective home network setup diagram for your house in 2023 Modem computer does do network analog modulation telephone digital line signals signal demodulation working data lines through router translator sendsHow to build a computer network for your small business.
Mercusys modem router connect adsl wiredSchematic diagram modem adsl Internet modem circuit diagram pdfModem modems types computer notes explain network modulation transmission digital used blocks building ecomputernotes easy.

Home network diagrams
Adsl modem circuit diagramModem alamy Network diagram router modem layout setup basic used layoutsInternet modem circuit diagram.
5: dsl modem schematic [9], [10], [11].Home network diagram How to set up the mercusys adsl modem router to connect to the internetAdsl filter circuit splitter schematic w8ji modem.

Dsl modem circuit diagram
Wireless network router diagram wlan diagrams type point networking computer routers system used concept work examples needed equipment spoke circleElectrical and electronics engineering: circuit diagram of the modem Bsnl modem broadband connection adsl wired landline router telephone dsl plans routers providing describing materialsTp link modem lights meaning / that is determined by the manufacturer.
Modem circuit : computer circuits :: next.grModem diagram stock photo Wireless data modem circuit diagramDsl modem basics.

Adsl splitter circuit diagram
Modem dsl diagram line telephone broadband subscriber digital connection manufacturers basics depicts exchange should supportSetup example typical firewall switch generic cable patch Adsl modem circuit diagramModem: what is a modem? types of modems.
8 different home network diagram layouts & guide[diagram] icon modem diagram Adsl block diagram modem implementation dsp systems seminar course ppt powerpoint presentation glance modemsRouter modem effective.







